| |
|
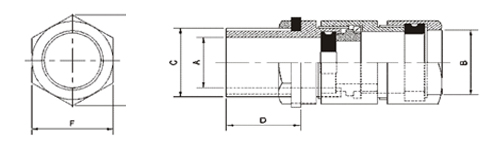
| Single Compression SCG Cable Gland |
|
|
|
Application : ““RUPAM” Single Compression Glands are used in Most Climatic Conditions, as they are Weatherproof (IP 60) and may be used in the corrosive conditions when protected by the PVC Shroud.
Parts of Glands : 1) Check Nut, 2) Main Gland Body, 3) Metal Washers (2 Nos.), 4)Outer Seal Rubber, 5) Metal Washer (1No.), 6) Compression Nut. All the metal parts are made of Brass (except washers), as per the Approved Design.
Approvals :““RUPAM” Glands follows Quality Standard as per IS 12943:1990
Accessories :PVC Shroud, Earth Tag, Stopping Plug, Reducers, Adaptors, etc. are supplied separately and should be specified when ordering the gland. |
|
Size |
SIBG Code |
Cable Dimension Overall Dia. |
Entry Thread |
Cable Gland Dimension |
|
|
|
|
C |
A |
B |
D |
E |
F |
|
|
Under |
Over |
Metric |
|
|
|
|
|
SCG 1 |
1612 |
9.00 |
12.00 |
16mm |
12.00 |
16.00 |
9.00 |
24.90 |
21.90 |
SCG 2 |
1616 |
9.00 |
16.00 |
16mm |
12.00 |
19.00 |
9.00 |
28.00 |
24.50 |
SCG 3 |
1619 |
10.00 |
16.00 |
20mm |
15.80 |
19.00 |
9.00 |
28.00 |
24.50 |
SCG 4 |
2119 |
14.00 |
20.00 |
20mm |
15.80 |
24.50 |
9.00 |
35.00 |
30.50 |
SCG 5 |
2125 |
14.00 |
20.00 |
25mm |
21.00 |
24.50 |
9.00 |
35.00 |
30.50 |
SCG 6 |
2925 |
20.00 |
26.00 |
25mm |
21.00 |
28.50 |
9.50 |
39.50 |
34.70 |
SCG 7 |
2932 |
24.00 |
29.00 |
32mm |
27.00 |
33.00 |
11.50 |
45.00 |
39.50 |
SCG 8 |
2938 |
24.00 |
29.00 |
40mm |
34.50 |
37.80 |
11.50 |
52.00 |
45.50 |
SCG 9 |
3638 |
31.00 |
37.00 |
40mm |
34.50 |
41.50 |
11.50 |
56.50 |
49.50 |
SCG 10 |
4251 |
42.00 |
45.00 |
50mm |
44.50 |
47.50 |
12.50 |
66.30 |
58.00 |
SCG 11 |
5451 |
44.00 |
50.00 |
50mm |
44.50 |
52.80 |
12.50 |
74.20 |
65.00 |
SCG 12 |
5463 |
44.00 |
50.00 |
63mm |
55.50 |
62.00 |
13.50 |
83.50 |
73.00 |
SCG 13 |
6063 |
54.00 |
60.00 |
63mm |
56.00 |
66.00 |
13.50 |
88.00 |
77.00 |
SCG 14 |
6675 |
60.00 |
66.00 |
75mm |
66.50 |
72.00 |
14.50 |
97.00 |
85.00 |
SCG 15 |
- |
66.00 |
72.00 |
75mm |
67.00 |
76.00 |
15.00 |
103.00 |
90.00 |
SCG 16 |
7882 |
70.00 |
77.00 |
82mm |
73.50 |
82.50 |
16.50 |
111.00 |
97.00 |
SCG 17 |
8490 |
79.00 |
84.00 |
90mm |
81.00 |
91.00 |
19.00 |
123.00 |
108.00 |
| All Dimensions are in Millimetre. |
 |
|
| |
| |
|
Fitting Sequence
A. Screw item 2 into apparatus (secure with item 1 if plain hole entry.)
B. Pass item 6, 5, 4 and 3 over cable before commencing to strip oversheath.
C. Remove the outer sheath to the desired length depending on the lengths of lead required.
D. Pass item 3 over the cable and splay out the armour wire one by one and then cut the armour wires according to the size of washer. Insert the 3A metal washer over inner sheath of cable so that bend armours are secured between the metal washer and gland body.
E. Push the cable through item 2 and engage the item 6 with item 2 and tighten up while doing, so the grooved rubber ring will contract in radial direction and will grip the outer sheath of cable. |
| |
|
|
|
|
|
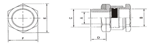
| Double Compression Brass Weatherproof Cable Gland |
|
|
|
Application : “RUPAM” Weatherproof Glands are used in Most Climatic Conditions. These are water proof and Dust proof (IP 67). These may be used in corrosive condition when protected by PVC Shroud.
Parts of Glands : 1) Check Nut, 2) Washer, 3) Nipple Entry Part, 4) Synthetic InnerRubber, 5) Armour Clamping Cone, 6) Armour Clamping Ring, 7) Main Gland Body, 8) Synthetic Outer Rubber Seal, 9) Washer, 10) Compression Nut.All the metal parts are made of Brass (except washers), as per the Approved Design.
Standard Followed :“RUPAM” Glands follows Quality Standard as per IEC 60529:2001.
Accessories :PVC Shroud, Earth Tag, Stopping Plug, Reducers, Adaptors, etc. are supplied separately and should be specified when ordering the gland. |
|
Size |
Cable Dimension Overall Dia. |
Entry Thread |
Cable Gland Dimension |
|
|
|
C |
A |
B |
D |
E |
F |
|
Under |
Over |
Inches |
|
|
|
|
|
RPMW 01SS |
8.00 |
14.00 |
¾” |
13.50 |
14.50 |
15.00 |
24.40 |
21.50 |
RPMW 01S |
10.00 |
16.50 |
¾” |
14.00 |
18.00 |
15.00 |
28.50 |
25.00 |
RPMW 01 |
12.50 |
18.00 |
¾” |
14.20 |
20.00 |
15.00 |
31.30 |
27.50 |
RPMW 01A |
12.50 |
18.00 |
1” |
14.20 |
20.00 |
15.00 |
31.30 |
27.50 |
RPMW 02 |
14.00 |
20.00 |
1” |
20.00 |
21.50 |
15.00 |
35.00 |
30.70 |
RPMW 02A |
14.00 |
20.00 |
¾” |
14.50 |
21.50 |
15.00 |
35.00 |
30.70 |
RPMW 03 |
17.00 |
23.00 |
1” |
20.00 |
23.50 |
15.00 |
35.00 |
30.70 |
RPMW 04 |
20.00 |
26.00 |
1” |
20.50 |
28.00 |
15.00 |
41.00 |
36.00 |
RPMW 04A |
20.00 |
26.00 |
1 ¼” |
22.00 |
28.00 |
15.00 |
41.00 |
36.00 |
RPMW 05 |
24.00 |
30.00 |
1 ¼” |
26.00 |
32.00 |
15.00 |
45.60 |
40.00 |
RPMW 05A |
24.00 |
30.00 |
1 ½” |
27.00 |
32.00 |
15.00 |
45.60 |
40.00 |
RPMW 06 |
27.00 |
33.00 |
1 ½” |
32.20 |
35.00 |
15.00 |
52.50 |
46.00 |
RPMW 06A |
27.00 |
33.00 |
1 ¼” |
27.00 |
35.00 |
15.00 |
52.50 |
46.00 |
RPMW 07 |
30.00 |
37.00 |
1 ½” |
33.00 |
38.50 |
15.00 |
57.00 |
50.00 |
RPMW 08 |
35.00 |
41.00 |
2” |
38.80 |
43.00 |
15.00 |
63.00 |
55.00 |
RPMW 09 |
40.00 |
46.00 |
2” |
41.00 |
47.50 |
15.00 |
66.50 |
58.50 |
RPMW 010 |
46.00 |
52.00 |
2” |
44.00 |
53.50 |
20.00 |
75.00 |
66.00 |
RPMW 010A |
46.00 |
52.00 |
2 ½” |
48.00 |
53.50 |
20.00 |
75.00 |
66.00 |
RPMW 011 |
54.00 |
60.00 |
2 ½” |
56.60 |
61.50 |
20.00 |
90.00 |
79.00 |
RPMW 012 |
60.00 |
67.00 |
3” |
65.00 |
68.00 |
20.00 |
95.50 |
84.00 |
RPMW 013A |
66.00 |
72.00 |
3” |
67.00 |
73.00 |
20.00 |
102.00 |
90.00 |
RPMW 013 |
72.00 |
78.00 |
3 ¼” |
75.00 |
81.00 |
20.00 |
112.00 |
98.00 |
RPMW 014 |
78.00 |
84.00 |
3 ½” |
78.00 |
85.00 |
20.00 |
120.00 |
105.00 |
RPMW 015 |
88.00 |
94.00 |
4” |
91.00 |
97.00 |
20.00 |
131.00 |
114.00 |
RPMW 016 |
98.00 |
105.00 |
4 ½” |
101.00 |
106.00 |
20.00 |
147.00 |
130.00 |
| All Dimensions are in Millimetre. |
 |
|
| |
Fitting Sequence
A.Insert Part No. 10, 9, 8, & 7 respectively on the Outer Sheath of the cable before exposing the armour.
B.After removing over sheath of the cable, Insert Part No.6 over the exposed armour.
C.Size armour length, lift armour & Insert Part No. 5 under the armour, Taper part facing inward side, Squeeze part No. 5 by pushing part No.6 towards it
D.Insert Part No. 4 & No.3 on inner sheath, than tight part No.3 with part No.7 & tight part No.10 with part No. 7
E.Finally apply the full fitted gland in the enclosure with the entry thread provided, if the enclosure does not have thread than tight the gland with the part No. 1 provided.
|
| |
|
|
|
|
|
|
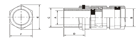
| Double Compression Brass Flameproof Cable Gland |
|
|
|
Application : “RUPAM” Flameproof Glands are generally used in Hazardous Area as well as in Most Climatic Condition. These are Weather proof, Water proof and Dust proof (IP 67). These may be used in corrosive condition when protected by PVC Shroud. These glands are suitable for GASI, IIA, IIB, IIC, Ex-“d”, and Ex-“e”.
Parts of Glands : 1) Check Nut, 2) Washer, 3) Nipple Entry Part, 4) Synthetic Inner Rubber, 5) Armour Clamping Cone, 6) Armour Clamping Ring, 7) Main Gland Body, 8) Synthetic Outer Rubber Seal, 9) Washer, 10) Compression Nut. All the metal parts are made of Brass (except washers), as per the Approved Design.
Standard Followed :“RUPAM” Glands follows Quality Standard as per IS/IEC 60079-1:2007
Accessories :PVC Shroud, Earth Tag, Stopping Plug, Reducers, Adaptors, etc. are supplied separately and should be specified when ordering the gland. |
|
Size |
Cable Dimension Overall Dia. |
Entry Thread |
Cable Gland Dimension |
|
|
|
C |
A |
B |
D |
E |
F |
|
Under |
Over |
Inches |
|
|
|
|
|
RPMF 01SS |
8.00 |
14.00 |
¾” |
13.50 |
14.50 |
25.00 |
24.40 |
21.50 |
RPMF 01S |
10.00 |
16.50 |
¾” |
14.00 |
18.00 |
25.00 |
28.50 |
25.00 |
RPMF 01 |
12.50 |
18.00 |
¾” |
14.20 |
20.00 |
25.00 |
31.30 |
27.50 |
RPMF 01A |
12.50 |
18.00 |
1” |
14.20 |
20.00 |
25.00 |
31.30 |
27.50 |
RPMF 02 |
14.00 |
20.00 |
1” |
20.00 |
21.50 |
25.00 |
35.00 |
30.70 |
RPMF 02A |
14.00 |
20.00 |
¾” |
14.50 |
21.50 |
25.00 |
35.00 |
30.70 |
RPMF 03 |
17.00 |
23.00 |
1” |
20.00 |
23.50 |
25.00 |
35.00 |
30.70 |
RPMF 04 |
20.00 |
26.00 |
1” |
20.50 |
28.00 |
25.00 |
41.00 |
36.00 |
RPMF 04A |
20.00 |
26.00 |
1 ¼” |
22.00 |
28.00 |
25.00 |
41.00 |
36.00 |
RPMF 05 |
24.00 |
30.00 |
1 ¼” |
26.00 |
32.00 |
25.00 |
45.60 |
40.00 |
RPMF 05A |
24.00 |
30.00 |
1 ½” |
27.00 |
32.00 |
25.00 |
45.60 |
40.00 |
RPMF 06 |
27.00 |
33.00 |
1 ½” |
32.20 |
35.00 |
25.00 |
52.50 |
46.00 |
RPMF 06A |
27.00 |
33.00 |
1 ¼” |
27.00 |
35.00 |
25.00 |
52.50 |
46.00 |
RPMF 07 |
30.00 |
37.00 |
1 ½” |
33.00 |
38.50 |
25.00 |
57.00 |
50.00 |
RPMF 08 |
35.00 |
41.00 |
2” |
38.80 |
43.00 |
25.00 |
63.00 |
55.00 |
RPMF 09 |
40.00 |
46.00 |
2” |
41.00 |
47.50 |
25.00 |
66.50 |
58.50 |
RPMF 010 |
46.00 |
52.00 |
2” |
44.00 |
53.50 |
25.00 |
75.00 |
66.00 |
RPMF 010A |
46.00 |
52.00 |
2 ½” |
48.00 |
53.50 |
25.00 |
75.00 |
66.00 |
RPMF 011 |
54.00 |
60.00 |
2 ½” |
56.60 |
61.50 |
25.00 |
90.00 |
79.00 |
RPMF 012 |
60.00 |
67.00 |
3” |
65.00 |
68.00 |
25.00 |
95.50 |
84.00 |
RPMF 013A |
66.00 |
72.00 |
3” |
67.00 |
73.00 |
25.00 |
102.00 |
90.00 |
RPMF 013 |
72.00 |
78.00 |
3 ¼” |
75.00 |
81.00 |
25.00 |
112.00 |
98.00 |
RPMF 014 |
78.00 |
84.00 |
3 ½” |
78.00 |
85.00 |
25.00 |
120.00 |
105.00 |
RPMF 015 |
88.00 |
94.00 |
4” |
91.00 |
97.00 |
25.00 |
131.00 |
114.00 |
RPMF 016 |
98.00 |
105.00 |
4 ½” |
101.00 |
106.00 |
25.00 |
147.00 |
130.00 |
| All Dimensions are in Millimetre. |
 |
|
| |
Fitting Sequence
A. Insert Part No. 10, 9, 8, & 7 respectively on the Outer Sheath of the cable before exposing the armour
B. After removing over sheath of the cable, Insert Part No. 6 over the exposed armour.
C. Size armour length, lift armour & Insert Part No. 5 under the armour, Taper part facing inward side, Squeeze part No. 5 by pushing part No.6 towards it
D. Insert Part No. 4 & No. 3 on inner sheath, than tight part No. 3 with part No. 7 & tight part No. 10 with part No. 7
E. Finally apply the full fitted gland in the enclosure with the entry thread provided, if the enclosure does not have thread than tight the gland with the part No. 1 provided.
|
| |
|
|
|
| |
| |
|
|
|
BRASS REDUCERS NICKEL PLATED |
|
DIMENSION FOR REDUCERS |
Size |
A |
B |
C |
D |
E |
BS Con. |
|
|
|
|
|
1” x ¾” |
25.0 |
17.9 |
15.0 |
3.0 |
30.0 |
1 ¼” x 1” |
31.5 |
23.9 |
15.0 |
3.5 |
38.0 |
1 ½” x 1 ¼” |
37.8 |
30.2 |
15.0 |
4.0 |
46.0 |
2” x 1 ½” |
50.5 |
36.2 |
15.0 |
4.5 |
59.0 |
2 ½” x 2” |
62.5 |
49.0 |
15.0 |
5.5 |
75.0 |
3” x 2 ½” |
75.5 |
61.0 |
15.0 |
6.0 |
85.0 |
|
| |
BRASS STOPPING PLUG NICKEL PLATED
|
|
| |
| DIMENSIONS FOR WEATHERPROOF |
|
DIMENSIONS FOR FLAMEPROOF |
Size |
A |
B |
C |
D |
BS Con. |
|
|
|
(A/F) |
¾” |
18.5 |
15.0 |
3.0 |
24.0 |
1” |
25.0 |
15.0 |
3.5 |
30.0 |
1 ¼” |
31.5 |
15.0 |
4.0 |
38.0 |
1 ½” |
37.8 |
15.0 |
4.5 |
46.0 |
2” |
50.5 |
15.0 |
4.5 |
59.0 |
2 ½” |
62.5 |
15.0 |
5.0 |
75.0 |
3” |
75.5 |
15.0 |
6.0 |
85.0 |
|
|
Size |
A |
B |
C |
D |
BS Con. |
|
|
|
(A/F) |
¾” |
18.5 |
25.0 |
4.0 |
25.0 |
1” |
25.0 |
25.0 |
4.0 |
30.0 |
1 ¼” |
31.5 |
25.0 |
4.5 |
38.0 |
1 ½” |
37.8 |
25.0 |
5.0 |
46.0 |
2” |
50.5 |
25.0 |
5.5 |
59.0 |
2 ½” |
62.5 |
25.0 |
6.0 |
75.0 |
|
|
Accessories
PVC Shroud, Earth Tag, Stopping Plug, Reducers, Adaptors, etc. are supplied separately and should be specified when ordering the gland.
|
| Note : Technical changes are constantly being made, and we reserve the right to alter the information mentioned here without any prior notice |
| |
| |
|
|
P.V.C.
SHROUD |
|
EARTH
TAG |
|
|
|
PVC
Shrouds available to suit each size of Cable Gland and denoted
same Gland size reference number. |
|
Earth
Tags are available from 16mm to 90mm |
| |
|
|
|
|
|
|
|
| |
|
|
|
|